Freitag: 8 - 14 Uhr
04103 - 903 870
info@business-trading.com
Zahlen Sie nach Erhalt unseres schriftlichen Rechnungsdokumentes. Eine Lieferung auf Rechnung bieten wir nur Firmen (GmbH, GmbH & Co. KG, oHG, AG oder KG), Behörden, Schulen, Konzernen und Großkunden an.
Lieferzeit: 1 - 5 Werktage
Zubehör für unsichtbare Kabel: smart things sCharge s24l 8pin, das Unterputz-Netzteil speziell für smart things sDock Fix iPad Wandhalterungen. Das sCharge kann in alle Unterputz- bzw.Gerätedosen mit min. 42mm Tiefe eingebaut werden und versorgt das iPad in der Tablethalterung permanent mit Strom, so dass es jederzeit einsatzbereit ist.
smart things sCharge Unterputz-Netzteil sDock Fix mit lightning-Anschluss
Versteckte Kabelführung
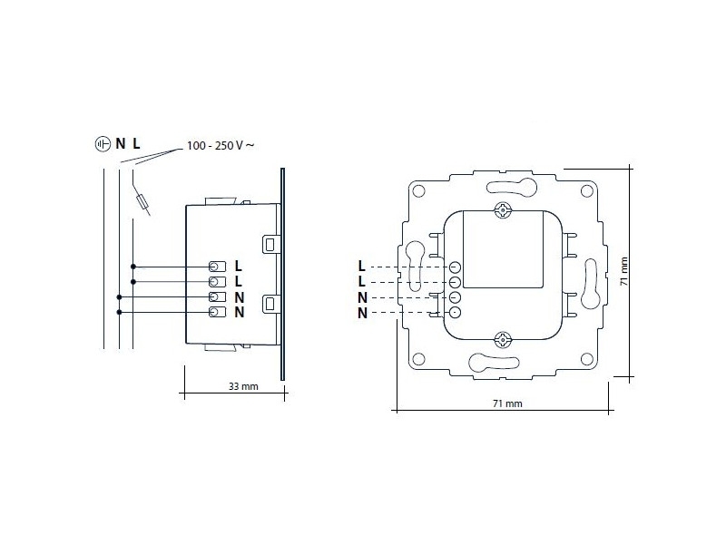
Das speziell für sDock Fix entwickelte smart things sCharge 12W Unterputz-Netzteil gewährleistet, dass das Apple iPad in der Wandhalterung immer aufgeladen und jederzeit einsatzbereit ist! Über das USB auf lightning-Adapter-Kabel kann das sDock Fix ohne sichtbare Kabel von der Wandrückseite mit Strom versorgt werden: Ideal für allen Anwendungen, bei denen sich das iPad meist an der gleichen Stelle befinden soll, z.B. für Beschilderung der Besprechungsräume, zur Steuerung von Home Automation oder zur Maschinensteuerung. Das sCharge 12W pin8 kann in alle Unterputz- bzw. Gerätedosen mit min. 42mm Tiefe eingebaut werden.
Technische Details smart things Unterputz-Netzteil lightning für sDock Fix
- Unterputz-Stromversorgung für alle sDock Fix iPad Wandhalterungen
- Nicht geeignet für sDock Wandhalterungen
- Direkte Verbindung zum sDock Fix mit USB auf lightning-Adapter-Kabel
- Geeignet für alle Unterputz- bzw. Gerätedosen mit min. 42mm Tiefe
- Nominaler Input: 100 - 250 V~, ±10 % , 50 - 60 Hz
- Nominaler Output: 5 V-, ±5%, 2400mA
- Material: Metalltragrahmen, Kunststoffgehäuse
- Umwelt: RoHS kompatibel, WEEE Registrierung: DE 64398562
- Das sDock Fix ist nicht im Lieferumfang enthalten und muss separat erworben werden
- Abmessungen (HxBxT): 71 x 71 x 33 mm
- Lieferung Inklusive 30cm Adapterkabel lighntning
| Produktdatenblatt: | |
|---|---|
| Technische Zeichnung: | |
| Geeignet für: | Apple iPad 1 9.7 (2010)|Apple iPad 2 9.7 (2011)|Apple iPad 3 9.7 (2012)|Apple iPad 4 9.7 (2012)|Apple iPad 5 9.7 (2017)|Apple iPad 6 9.7 (2018)|Apple iPad 7 10.2 (2019)|Apple iPad 8 10.2 (2020)|Apple iPad 9 10.2 (2021)|Apple iPad Air 1 9.7|Apple iPad Air 2 9.7|Apple iPad Air 3 10.5|Apple iPad Mini 1 7.9|Apple iPad Mini 2 7.9|Apple iPad Mini 3 7.9|Apple iPad Mini 4 7.9|Apple iPad Mini 5 7.9|Apple iPad Pro 10.5|Apple iPad Pro 12.9 (2. Gen. 2017)|Apple iPad Pro 12.9 (2015)|Apple iPad Pro 9.7 |
| customFields.bts_verpackungsmasze_lxbxh: | 80 x 80 x 50 |
| customFields.bts_material: | Metall, Kunststoff |
| Installationsmaterial enthalten: | + |
| Garantie: | 2 Jahre |
| Befestigungsart: | Wandeinbau |
| Beweglichkeit: | Starr |
| Farbe: | Sonstige |
| Tablet: | Samsung Galaxy Tab A8 10.5 (2022), universal |
| iPad-Modellnummer: | A1219, A1337, A1385, A1396, A1397, A1403, A1416, A1430, A1432, A1454, A1455, A1458, A1459, A1460, A1474, A1475, A1476, A1489, A1490, A1491, A1538, A1550, A1566, A1567, A1584, A1599, A1600, A1652, A1670, A1671, A1673, A1674, A1675, A1701, A1709, A1821, A1822, A1823, A1852, A1893, A1954, A2123, A2124, A2125, A2126, A2133, A2152, A2153, A2154, A2197, A2198, A2200, A2270, A2428, A2429, A2430, A2603, A2604 |
Download-Bereich - Kataloge, Flyer, Garantiebedingungen, ...
0 von 0 Bewertungen
Durchschnittliche Bewertung von 0 von 5 Sternen
Kunden kauften auch
Durchschnittliche Bewertung von 0 von 5 Sternen
Durchschnittliche Bewertung von 0 von 5 Sternen
Durchschnittliche Bewertung von 5 von 5 Sternen
Zubehör
Durchschnittliche Bewertung von 0 von 5 Sternen
Durchschnittliche Bewertung von 0 von 5 Sternen
Durchschnittliche Bewertung von 0 von 5 Sternen