Freitag: 8 - 14 Uhr
04103 - 903 870
info@business-trading.com
Zahlen Sie nach Erhalt unseres schriftlichen Rechnungsdokumentes. Eine Lieferung auf Rechnung bieten wir nur Firmen (GmbH, GmbH & Co. KG, oHG, AG oder KG), Behörden, Schulen, Konzernen und Großkunden an.
Lieferzeit: 1 - 5 Werktage
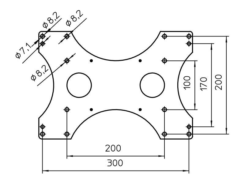
Mit der Novus Vesa Adapterplatte SKY 795+9065+001 können Sie einfach und schnell die Vesa-Aufnahme von 75/100 Ihrer Novus SKY Wandhalterung auf den Vesa-Standard 200x100, 200x200 oder 300x200mm erweitern.
VESA Adapter für Novus Sky
Seit über 30 Jahren stattet Novus Wohnwagen, Caravane, Reisemobile, Omnibusse, Verkaufsfahrzeuge, Bahnen und Boote mit hochwertigen technischen Details aus. Mit dem VESA Adapter für Novus Sky 795+9065+001 können Sie schnell und unkompliziert die Vesa-Aufnahme Ihres Novus SKY Wandhalters von 75x75mm und 100x100mm auf den VESA Standard VESA 200x100, VESA 200x200 oder VESA 300x200 erweitern. So können auch Bildschirme bis ca. 26 Zoll Größe mit den Novus SKY Wohnwagen Monitorhalterungen / Wandhalterungen kombiniert werden.
Technische Details VESA Adapterplatte Novus SKY (795+9065+001)
- Adapterplatte für die Montage zwischen Bildschirm und Monitorhalterung
- Erweitert den VESA-Standard 100x100 auf 200x100, 200x200 oder 300x200 mm
- VESA-Standard SKY Monitorhalterung: 100x100mm
- VESA Halterung: 200x100, 200x200 oder 300x200mm
- Außenmaße Adapterplatte (BxHxT): ca. 315 x 220 x 4 mm
- Farbe: anthrazit
VESA Standard - Erfahren Sie mehr über die VESA Norm von Monitorhalterungen!
| Technische Zeichnung: | |
|---|---|
| Montageanleitung: | |
| customFields.bts_vesa_link: | 200x100, 200x200, 300x200mm (www.vesa-standard.de) |
| Installationsmaterial enthalten: | + |
| Garantie: | 2 Jahre |
| Beweglichkeit: | Starr |
| Diebstahlsicher: | Nein |
| Farbe: | Anthrazit |
| VESA (in mm): | VESA 200x100, VESA 200x200, VESA 300x200 |
Download-Bereich - Kataloge, Flyer, Garantiebedingungen, ...
0 von 0 Bewertungen
Durchschnittliche Bewertung von 0 von 5 Sternen