Freitag: 8 - 14 Uhr
04103 - 903 870
info@business-trading.com
Zahlen Sie nach Erhalt unseres schriftlichen Rechnungsdokumentes. Eine Lieferung auf Rechnung bieten wir nur Firmen (GmbH, GmbH & Co. KG, oHG, AG oder KG), Behörden, Schulen, Konzernen und Großkunden an.
Lieferzeit: 1 - 5 Werktage
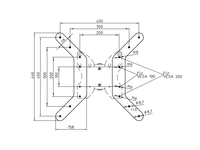
Die Novus Vesa Adapterplatte 795+9105+000 ermöglicht das problemlose Anbringen von Bildschirmen mit dem VESA-Befestigungsstandard 300x300 bis 400x400mm an Monitorhalterungen mit einer Vesa-Aufnahme von 200x100 oder 200x200mm.
Novus Vesa Adapter Erweiterung 200/100 auf 400x400 (795+9105+000)
Die Novus VESA Adapterplatte 795+9105+000 ist eine praktische Vesa Erweiterung zur Befestigung großer Bildschirme an den Befestigungs-Standard 200/100. Die VESA-Erweiterung kann zwischen einer beliebigen Monitorhalterung mit VESA-Standard 200x100 oder 200x200mm und einem Fernseher mit einer Vesa-Aufnahme von 300x300 bis 400x400mm befestigt werden.
Technische Details Novus Vesa Adapter Erweiterung 200/100 auf 400x400
- Adapterplatte für die Montage zwischen Bildschirm und Monitorhalterung
- Erweitert den VESA-Standard 200/100 auf 400x400mm
- VESA-Standard Monitorhalterung: 200x100 oder 200x200mm
- VESA-Standard Bildschirm: 300x300 oder 400x400mm
- 2-teiliges Adapterset
- Farbe: anthrazit
VESA Standard - Erfahren Sie mehr über die VESA Norm von Monitorhalterungen!
| Produktdatenblatt: | |
|---|---|
| Technische Zeichnung: | |
| customFields.bts_vesa_link: | 300x300, 400x300, 400x400mm (www.vesa-standard.de) |
| Installationsmaterial enthalten: | + |
| Garantie: | 2 Jahre |
| Beweglichkeit: | Starr |
| Diebstahlsicher: | Nein |
| Farbe: | Anthrazit |
| VESA (in mm): | VESA 300x300, VESA 400x300, VESA 400x400 |
Download-Bereich - Kataloge, Flyer, Garantiebedingungen, ...
0 von 0 Bewertungen
Durchschnittliche Bewertung von 0 von 5 Sternen
Kunden kauften auch
Durchschnittliche Bewertung von 0 von 5 Sternen
Durchschnittliche Bewertung von 0 von 5 Sternen