Freitag: 8 - 14 Uhr
04103 - 903 870
info@business-trading.com
Zahlen Sie nach Erhalt unseres schriftlichen Rechnungsdokumentes. Eine Lieferung auf Rechnung bieten wir nur Firmen (GmbH, GmbH & Co. KG, oHG, AG oder KG), Behörden, Schulen, Konzernen und Großkunden an.
Lieferzeit: 1 - 5 Werktage
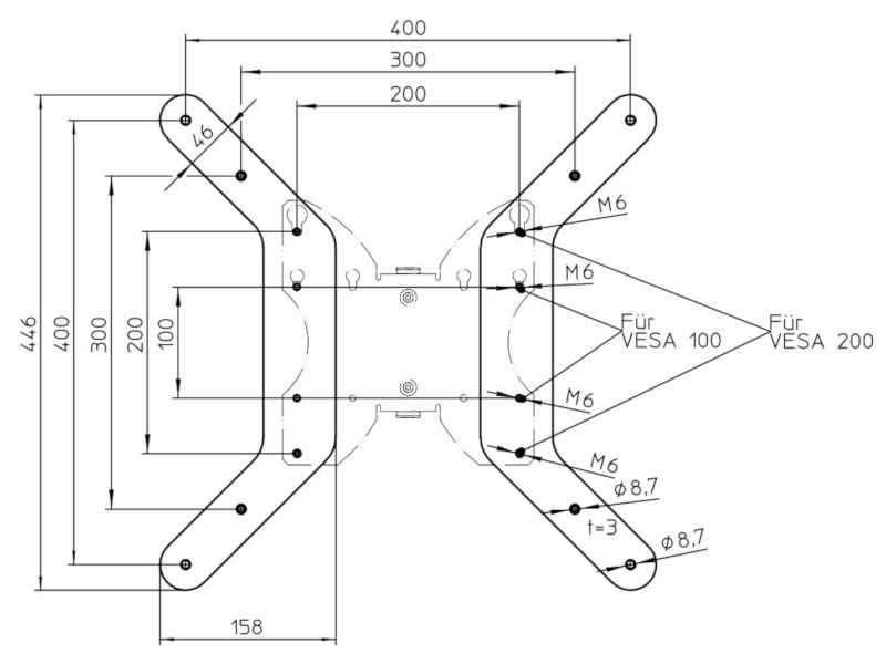
Die Novus Monitor Halterung (001+9650+000) in anthrazit ist ein Display / Tablet Halter mit einer VESA Aufnahme von 300x300 bis 400x400 mm für Novus POS.
Novus POS Monitor Halterung (001+9650+000) in anthrazit
Novus POS Solution ist die anpassungsfähige Innovation für den modernen POS Arbeitsplatz und bietet Ihnen eine Vielzahl an individuellen Kombinationsmöglichkeiten. Die Artikel-Kombination aus dem Tragarm S-TV (852+0545+000) und der Zubehör Vesa Adapter Erweiterung (795+9105+000) ist ein Teil von Novus POS Solution - eine platzsparende und funktionelle Retail Lösung. Ein anpassbares und individualisierbares Kassensystem, das auf jedes Bedürfnis zugeschnitten werden kann. Mit modernsten Halterungsmethoden und vielen Erweiterungsmöglichkeiten schafft Novus ein Retail System, das seinesgleichen sucht.
Schwenkbare Monitorhalterung am Point of Sale
Die Novus POS Monitor Halterung (001+9650+000) in anthrazit ist ein kurzer Monitortragarm für Novus POS Solution. Mit seiner VESA-Aufnahme von 300x300 bis 400x400 mm und der Tragkraft von bis zu 25 kg ist er die perfekte Erweiterung für schwerere Displays oder Tablet-PCs (in Verbindung mit einer VESA-fähigen Tablet Befestigung).
Technische Details POS Display Halterung
- Tragkraft: 25 kg
- Tiefe der Halterung: ca. 50 mm
- VESA Halterung: 300x300, 400x300, 400x400 mm
- Einfache Monitoreinstellung durch Gelenke
- Schwenkbar: 200°
- Material: Aluminium
- Farbe: anthrazit
- Befestigung an einer RetailSystem base Säule
- Novus POS Monitor Halterung besteht aus:
Novus POS Solution arm S-TV Monitorhalter kurz (852+0545+000), anthrazit
Novus Zubehör Vesa Adapter Erweiterung 200x100, 200x200 auf 300x300, 400x400 (795+9105+000)
Zubehör Säulen für Novus POS Solution (001+9650+000)
- Novus POS Base 200 mm 851+2005+000 anthrazit
- Novus POS Base 200 mm 851+2009+000 silber
- Novus POS Base 400 mm 851+4005+000 anthrazit
- Novus POS Base 400 mm 851+4009+000 silber
- Novus POS Base 600 mm 851+6005+000 anthrazit
- Novus POS Base 600 mm 851+6009+000 silber
Passt Ihr Bildschirm oder Display zur VESA Halterung?
Gerne prüfen wir ob Ihr Monitor für diesen Novus 001+9650+000 Monitorhalter geeignet ist. Übermitteln Sie uns dazu einfach am Ende des Bestellprozesses im Kommentarfeld Ihr Modell (Hersteller + Modellnr.). Wir prüfen anschließend für Sie, ob der Monitor oder das Display zur Monitorhalterung passt und wenn nicht, melden wir uns bei Ihnen.
VESA Standard - Erfahren Sie mehr über die VESA Norm von Monitorhalterungen!
| Produktdatenblatt: | |
|---|---|
| Technische Zeichnung: | |
| Besonderheiten: | Novus POS Solutions |
| customFields.bts_vesa_link: | 300x300, 400x300, 400x400 mm (www.vesa-standard.de) |
| Installationsmaterial enthalten: | + |
| customFields.bts_tragkraft: | 25 kg |
| Garantie: | 2 Jahre |
| Beweglichkeit: | Schwenkbar |
| Diebstahlsicher: | Nein |
| Farbe: | Anthrazit |
| VESA (in mm): | VESA 300x300, VESA 400x300, VESA 400x400 |
Download-Bereich - Kataloge, Flyer, Garantiebedingungen, ...
0 von 0 Bewertungen
Durchschnittliche Bewertung von 0 von 5 Sternen
Zubehör
Durchschnittliche Bewertung von 0 von 5 Sternen
Durchschnittliche Bewertung von 0 von 5 Sternen